Size: a a a

ESP8266 & ESP32 [RU]

2021 July 09

Н

Н Е К И Б Е Р Л Е О... in ESP8266 & ESP32 [RU]
источник

r

romanetz in ESP8266 & ESP32 [RU]
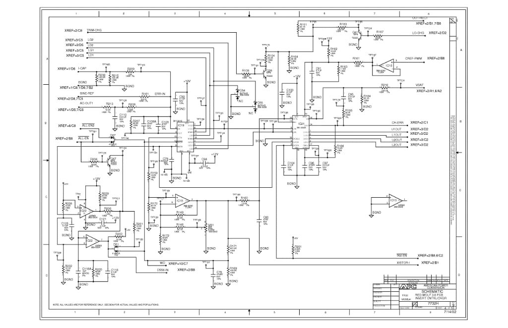
Они по первой технологии сделаны
источник

Н

Н Е К И Б Е Р Л Е О... in ESP8266 & ESP32 [RU]
типа вот эта часть?
источник

r

romanetz in ESP8266 & ESP32 [RU]
Не
источник

Н

Н Е К И Б Е Р Л Е О... in ESP8266 & ESP32 [RU]
а вроде ac-out написано
источник

r

romanetz in ESP8266 & ESP32 [RU]
Это мелкий транс для запитки и контроля фазы напряжения в сети
источник

r

romanetz in ESP8266 & ESP32 [RU]
И предохранитель на 1 ампер по 220, ага
источник

Н

Н Е К И Б Е Р Л Е О... in ESP8266 & ESP32 [RU]
мляя
источник

Н

Н Е К И Б Е Р Л Е О... in ESP8266 & ESP32 [RU]
источник

Н

Н Е К И Б Е Р Л Е О... in ESP8266 & ESP32 [RU]
источник

Н

Н Е К И Б Е Р Л Е О... in ESP8266 & ESP32 [RU]
источник

Н

Н Е К И Б Е Р Л Е О... in ESP8266 & ESP32 [RU]
источник

Н

Н Е К И Б Е Р Л Е О... in ESP8266 & ESP32 [RU]
источник

Н

Н Е К И Б Е Р Л Е О... in ESP8266 & ESP32 [RU]
источник

Н

Н Е К И Б Е Р Л Е О... in ESP8266 & ESP32 [RU]
sua3000
источник

Н

Н Е К И Б Е Р Л Е О... in ESP8266 & ESP32 [RU]
имхо , доброго утра)))
источник

Н

Н Е К И Б Е Р Л Е О... in ESP8266 & ESP32 [RU]
источник

DP

Dmitry Pukhanov in ESP8266 & ESP32 [RU]
Доброго времени суток.
Вопрос
Есть esp32.
Иногда при запуске зависает, в уарт летит какой то мусор раз в несколько секунд. Скорость подобрать не смог. (То что выдаёт при перезагрузке вижу на скорости 115200) пробовал остальные скорости подобрать не смог. То ли действительно там просто мусор.

Опытным путем понял что изменение параметра flash frequency на 40 МГц даёт результат. Оно так же подвисает, НО при зависании сама перезагружается и так как эти зависания не слишком частые то начинает работать при 80 МГц зависает наглухо. Куда копать, может было у кого что подобное?
источник

ЕК

Евгений К in ESP8266 & ESP32 [RU]
У нас такой в аппаратной стоит 40 кВт выдаёт. Постоянное преобразование, аппаратик 30 кВт держит 20-30 минут. От свежести АКБ зависит 😊
источник

r

romanetz in ESP8266 & ESP32 [RU]
40 кВт вряд ли с нч трансом
источник