Size: a a a

Анархическая электроника

2021 June 11

T

Th0r in Анархическая электроника
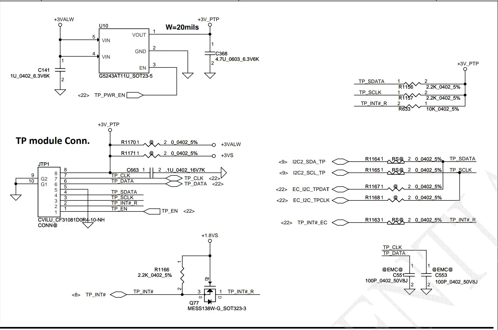
так-то на и2ц похоже
источник

В

Виктор in Анархическая электроника
6-7 pc/2, а вот 3-4 хз
источник

T

Th0r in Анархическая электроника
ониж никуда не идут
источник

В

Виктор in Анархическая электроника
Ну вообще-то идут
источник

T

Th0r in Анархическая электроника
ну а по предыдущему куску - не идут. ты сразу мог целиком показать?
источник

В

Виктор in Анархическая электроника
источник

В

Виктор in Анархическая электроника
источник

В

Виктор in Анархическая электроника
23 страница
источник

T

Th0r in Анархическая электроника
это i2c - в зависимости от конфигурации\точной модели подключено на мультик или на soc
возможно там какие-то настройки тачпада, или мультитач через него работает - не знаю зачем там второй интерфейс
источник

В

Виктор in Анархическая электроника
Интересно
источник

R

Roman in Анархическая электроника
Как называется формула зависимости тока от сечения проводника?
источник

T

Th0r in Анархическая электроника
формула выделяемой мощности?
источник

T

Th0r in Анархическая электроника
ПУЭ-7 п.1.3.10-1.3.11 ДОПУСТИМЫЕ ДЛИТЕЛЬНЫЕ ТОКИ ДЛЯ ПРОВОДОВ, ШНУРОВ И КАБЕЛЕЙ С РЕЗИНОВОЙ ИЛИ ПЛАСТМАССОВОЙ ИЗОЛЯЦИЕЙ
источник

R

Roman in Анархическая электроника
Не, мне нужна формула, чтоб там был радиус проводника или толщина, какой-нибудь физически притянутый за уши параметр
источник

T

Th0r in Анархическая электроника
тогда так:
удельное сопротивление => для рассчетов берешь метр провода => рассчет падения напряжения от тока и сопротивления => рассчет тепловыделения на метр провода => рассчет повышения температуры
источник

T

Th0r in Анархическая электроника
удельное сопротивление от диаметра зависит
источник

R

Roman in Анархическая электроника
Удельное сопротивление зависит от материала
источник

T

Th0r in Анархическая электроника
а, тебе надо только по диаметру, без разницы, медь это или бескислородное железо?
источник

R

Roman in Анархическая электроника
Сечение, диаметр, радиус, где вообще встречается?
источник

T

Th0r in Анархическая электроника
в геометрии
источник