Size: a a a

Анархическая электроника

2021 February 23

S

Serg in Анархическая электроника
if(t<=21) digitalWrite(13, LOW);
if(t>=25) digitalWrite(13, HIGH);
источник

S

Serg in Анархическая электроника
Тогда как сделать что-бы в диапазоне температур меду 21 и 25 градусов, был 0 или 1 в зависимости от предыдущего состояния?
источник

S

Serg in Анархическая электроника
советуют флаг добавить. Если выше 25, тогда флаг 1, если ниже 21, тогда 0. Только понятия не имею как это сделать.
источник

IB

Igor Borozdin in Анархическая электроника
if(t<=21) state = -1
else
if(state>=25) state =1
else state = 0;

if(state == -1) digitalWrite(13, LOW)
else
if (state == 1) digitalWrite(13, HIGH);
источник

IB

Igor Borozdin in Анархическая электроника
Но надо как то определится в setup() зажечь или погасить и задать начальное значение для state
источник

vw

verlal wadim in Анархическая электроника
Energetic
О надо ещё # набирать
не то это опять поиск там где я зарегился
источник

SB

Stanislav Bobokalo in Анархическая электроника
Serg
Тогда как сделать что-бы в диапазоне температур меду 21 и 25 градусов, был 0 или 1 в зависимости от предыдущего состояния?
Так оно останется в нужном состоянии если мк не перезагружать
источник

SB

Stanislav Bobokalo in Анархическая электроника
Тебе не обязательно даже каждую итерацию явно что-то посылать, шли только при изменении
источник

B

Badab00m in Анархическая электроника
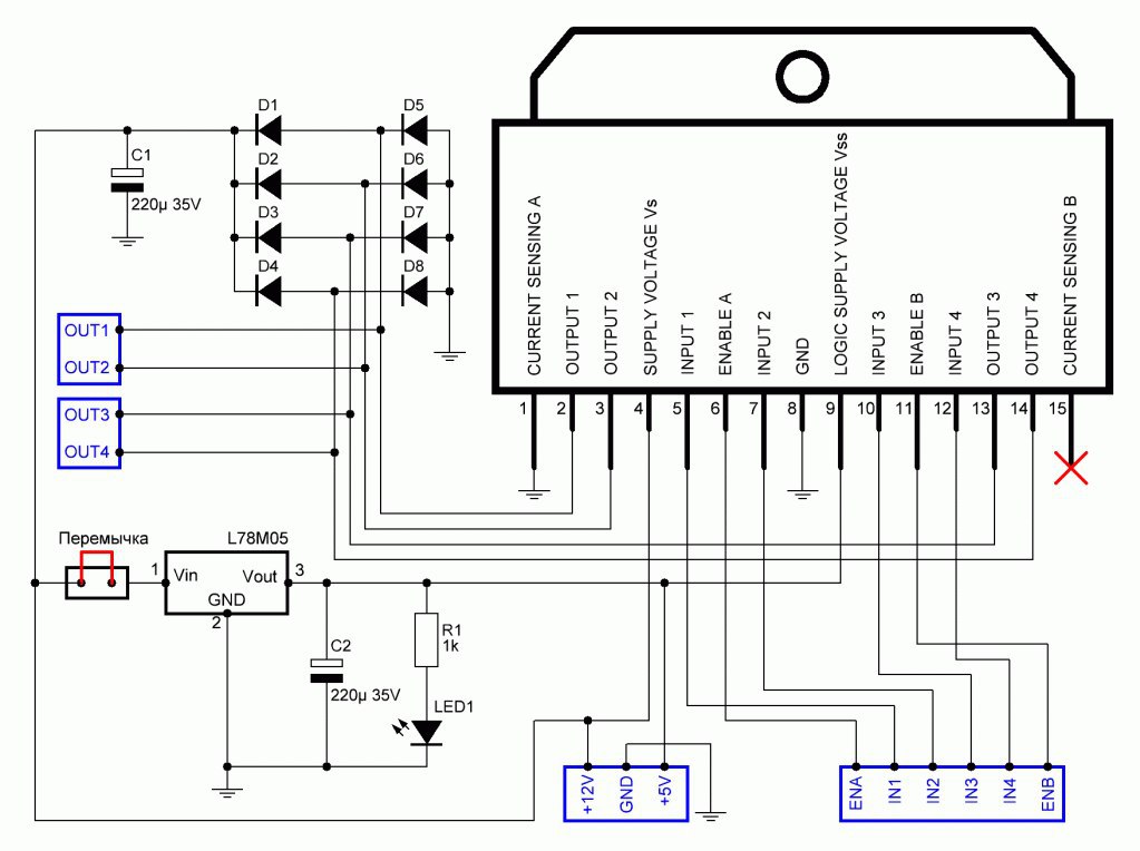
Всем привет. Есть двойной H мост на L298N. Что будет есть я подам на оба входа лог 1? КЗ?
источник

B

Badab00m in Анархическая электроника
Вот схема платы
источник

B

Badab00m in Анархическая электроника
Или там есть какая то защита?
источник

S

Serg in Анархическая электроника
Stanislav Bobokalo
Тебе не обязательно даже каждую итерацию явно что-то посылать, шли только при изменении
Спасибо! Будем попробывать ))
источник

Т

Тарас in Анархическая электроника
Здравствуйте. Столкнулся с такой проблемой: есть rgb диод, и когда я землю подключаю через резистор (+-1000 ом) зелёный горит слабо (как я и хочу) а синий тухнет. Почему? Когда отключаю зелёный, синий загорается как надо. У них порог включения разный? Как исправить?
источник

TK

Timur Khasanshin in Анархическая электроника
Чем синее цвет тем больше падение
источник

AK

Andrey Khristov in Анархическая электроника
Тарас
Здравствуйте. Столкнулся с такой проблемой: есть rgb диод, и когда я землю подключаю через резистор (+-1000 ом) зелёный горит слабо (как я и хочу) а синий тухнет. Почему? Когда отключаю зелёный, синий загорается как надо. У них порог включения разный? Как исправить?
каждому цвету надо отдельный резистор
источник

Т

Тарас in Анархическая электроника
Andrey Khristov
каждому цвету надо отдельный резистор
А, ок. Спасибо
источник

t

tmelinked_ in Анархическая электроника
Andrey Khristov
каждому цвету надо отдельный резистор
каждому цвету свой драйвер111
источник

t

tmelinked_ in Анархическая электроника
нахуй резисторы
источник

D

Driver in Анархическая электроника
И отдельную фазу луны
источник

Т

Тарас in Анархическая электроника
Хах
источник