Size: a a a

Анархическая электроника

2021 February 12

7

777Andrej in Анархическая электроника
А как ты раскачиваешь ибгт ?
источник

L

Lucifer in Анархическая электроника
обратной связью с первички
источник

L

Lucifer in Анархическая электроника
аналогичная схема на поливике
источник

7

777Andrej in Анархическая электроника
@test957564 так что там бот ?
Бот видит , когда на твое сообщение дали правильный ответ, тогда он и удаляет ?
источник

VB

Vasil Boyanov in Анархическая электроника
Lucifer
этож качер
Транзистор какой?
источник

А

Абонент Телеги... in Анархическая электроника
Очередная тесла
источник

L

Lucifer in Анархическая электроника
источник

L

Lucifer in Анархическая электроника
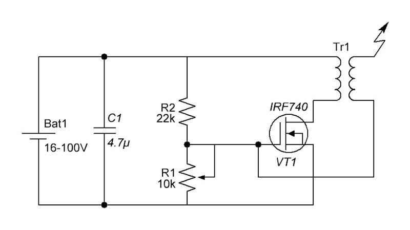
Транзистор вот
источник

L

Lucifer in Анархическая электроника
источник

L

Lucifer in Анархическая электроника
А вот полевик
источник

SK

Sergey K in Анархическая электроника
вопрос можно по светодиодам, глупый, есть светодиод в плате  он сверхяркий, его заменить на светодиод такой же по физ размерам но обычный можно?
источник

SK

Sergey K in Анархическая электроника
не будет ли повышенный ток, не испортит плату?
источник

VB

Vasil Boyanov in Анархическая электроника
А его, совершенно случайно, не выше катушки по схеме ставить?
источник

VB

Vasil Boyanov in Анархическая электроника
Sergey K
вопрос можно по светодиодам, глупый, есть светодиод в плате  он сверхяркий, его заменить на светодиод такой же по физ размерам но обычный можно?
Резюк воткни
источник

SK

Sergey K in Анархическая электроника
Vasil Boyanov
Резюк воткни
светодиоды есть, а резистора нет :(
источник

VB

Vasil Boyanov in Анархическая электроника
Sergey K
светодиоды есть, а резистора нет :(
Отковырни откуда-нибудь?
источник

SK

Sergey K in Анархическая электроника
в цепи к текущему светодиоду резистор есть
источник

SK

Sergey K in Анархическая электроника
Vasil Boyanov
Отковырни откуда-нибудь?
а на сколько ?
источник

L

Lucifer in Анархическая электроника
Vasil Boyanov
А его, совершенно случайно, не выше катушки по схеме ставить?
всм?
источник

IG

Ilshat Gayanov in Анархическая электроника
всем привет, выбираю переходник адаптер с aux на bluetooth, но наткнулся на usb=>bluetooth, лучше его взять?
источник