Size: a a a

Анархическая электроника

2021 February 11

L

Lucifer in Анархическая электроника
Denisio
Кстати можно подключать несколько трубок сразу
Кстати да
источник

L

Lucifer in Анархическая электроника
Давно хотел затестить неонку как дозик)
источник

L

Lucifer in Анархическая электроника
У них конструкции похожие)
источник

D

Denisio in Анархическая электроника
Это как использовать пакет из пятёрочки как гандон
источник

D

Denisio in Анархическая электроника
4 норм, народ где-то подключал 10
источник

w

www in Анархическая электроника
источник

L

Lucifer in Анархическая электроника
Толку от дозика как от индикатора радиоактивности) если изотопов в организм не нахапаешь то ниче страшного)
источник

L

Lucifer in Анархическая электроника
Я вырос в городе который пережил три ядерные аварии)
источник

L

Lucifer in Анархическая электроника
Где производят топливные стержни для АЭС)
источник

7

777Andrej in Анархическая электроника
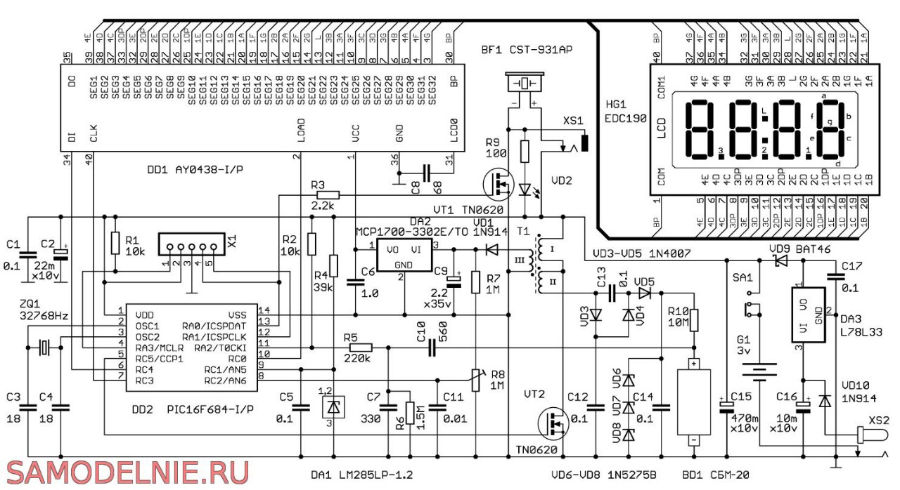
принцип преобразователя можно взять
источник

w

www in Анархическая электроника
Lucifer
Толку от дозика как от индикатора радиоактивности) если изотопов в организм не нахапаешь то ниче страшного)
Хотелось бы, чтобы дозиметр не умер при 172 000 мкР/час гамма и 3 миллиона бета
источник

L

Lucifer in Анархическая электроника
www
Хотелось бы, чтобы дозиметр не умер при 172 000 мкР/час гамма и 3 миллиона бета
Этж мало)
источник

7

777Andrej in Анархическая электроника
Короче ясно, это просто разговоры ....
источник

L

Lucifer in Анархическая электроника
А это проблема
источник

L

Lucifer in Анархическая электроника
По приколу облучал свой дозик Эми. Вырубается.
источник

L

Lucifer in Анархическая электроника
Да он даж у теслы вырубается)
источник

L

Lucifer in Анархическая электроника
www
Хотелось бы, чтобы дозиметр не умер при 172 000 мкР/час гамма и 3 миллиона бета
172мР/ч выдержит любой дозик.
источник

L

Lucifer in Анархическая электроника
А ты такой фон даж не заметишь. Если там находиться долго не будешь правда)
источник

w

www in Анархическая электроника
Как защитить от ядерного взрыва в стратосфере?
источник

L

Lucifer in Анархическая электроника
www
Как защитить от ядерного взрыва в стратосфере?
Ты про выброс Эми?
источник