Size: a a a

RUSCADASEC community: Кибербезопасность АСУ ТП

2021 October 22

AA

Andrey Anopov in RUSCADASEC community: Кибербезопасность АСУ ТП
Гораздо легче чем посередине ip трафика. Скорости ниже, разнообразия меньше. Осилит студент тех. Вуза на уровне курсовой.
источник

22

2 2 in RUSCADASEC community: Кибербезопасность АСУ ТП
упустил, что именно про Modbus RTU был вопрос, вообще вроде как про "Задача состоит в том, чтобы не допустить прослушивание, а главное навязывание информации через врезку в кабель 485. "
источник

НД

Николай Домуховский... in RUSCADASEC community: Кибербезопасность АСУ ТП
модификация Security - это для Modbus TCP. Там APDU модбас передаются внутри туннеля, который создается поверх TCP (порт 502). Соответственно, ничего не мешает использовать любые механизмы безопасности стэка TCP/IP
источник

НД

Николай Домуховский... in RUSCADASEC community: Кибербезопасность АСУ ТП
ну там дальше было, что свое самопальное придумали, но возникает задача совместимости с новыми устройствами и надо бы что-то более стандартное
источник

22

2 2 in RUSCADASEC community: Кибербезопасность АСУ ТП
почему то подумал что у них свой протокол какой то просто по 485 идет ) но да ладно, тема  для дипломной работы напрашивается, где калькулятор? )
источник

AC

Alexey Cheshire in RUSCADASEC community: Кибербезопасность АСУ ТП
для IP-трафика сойдет коммутатор, а тут  нужно сделать врезку, что подразумевает набор инструментов, определенные работы и т.п. и т.д. В лабораторных условиях это может быть легче, но не на объекте
источник

AA

Andrey Anopov in RUSCADASEC community: Кибербезопасность АСУ ТП
Если километр не наблюдаемого кабеля, вопрос времени только. Иголками проколоть все, записать дамп сутки, спокойно в лабе проанализировать, написать ПО с эмуляцией, обрезать шину и в каждую сторону повесить эмулятор.
источник

22

2 2 in RUSCADASEC community: Кибербезопасность АСУ ТП
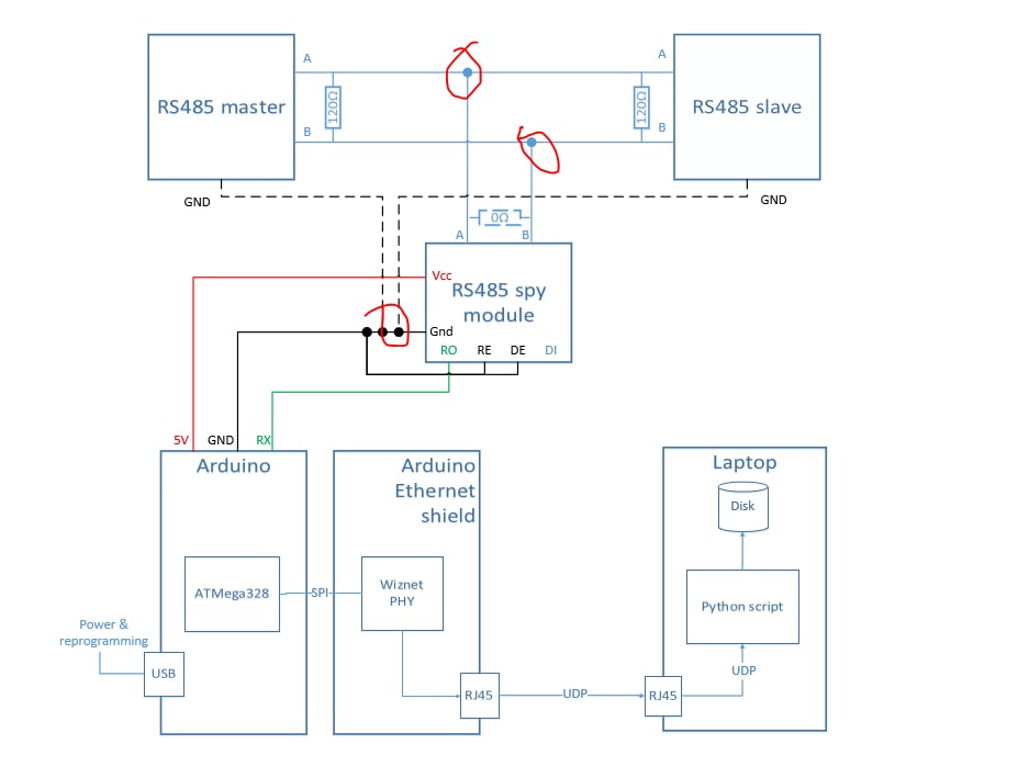
вот из статьи схема огонь )
источник

AC

Alexey Cheshire in RUSCADASEC community: Кибербезопасность АСУ ТП
Какой километр для 485??
источник

22

2 2 in RUSCADASEC community: Кибербезопасность АСУ ТП
еще если кабель в броне и закопан то это уже спец операция )
источник

AA

Andrey Anopov in RUSCADASEC community: Кибербезопасность АСУ ТП
Читайте стандарт
источник

AC

Alexey Cheshire in RUSCADASEC community: Кибербезопасность АСУ ТП
Где вы видели километр на 485?
источник

AA

Andrey Anopov in RUSCADASEC community: Кибербезопасность АСУ ТП
С репитерами пишут что и 5 км не предел
источник

AC

Alexey Cheshire in RUSCADASEC community: Кибербезопасность АСУ ТП
Вопросов больше не имею
источник

AA

Andrey Anopov in RUSCADASEC community: Кибербезопасность АСУ ТП
Ок, пребывайте в счастливом неведении.
источник

НД

Николай Домуховский... in RUSCADASEC community: Кибербезопасность АСУ ТП
скажите это похитителям цветмета - их ничего не останавливало в свое время
источник

22

2 2 in RUSCADASEC community: Кибербезопасность АСУ ТП
слушайте ну по spi в принципе можно подключать модули шифрования, думаю  вам все таки стоит протестировать
источник

K

K. in RUSCADASEC community: Кибербезопасность АСУ ТП
Свое время ещё не кончилось
источник

MS

ML. SURGEON in RUSCADASEC community: Кибербезопасность АСУ ТП
Мы рады за вас😎
источник

ZS

Zakir Supeyev in RUSCADASEC community: Кибербезопасность АСУ ТП
Пилите свою коробочку: ModbusRTU->Ваш собственный шифрованный протокол, при условии что доступ к прибору и коробочке защищён орг мерами
источник